DESIGN & MANUFACTURE STANDARD
- Design and manufacture: GB/T 12236, ASME B16.34, API 594.
- Connection flange:HG/T 20592, ASME B16.5, JIS B2220, EN 1092-1·
- Structure length:GB/T 12221、 ASME B16.10、 EN 558-1
- Test and inspection: GB/T 26480, GB/T 13927, API 598
SPECIFICATIONS
- Nominal pressure: (1.6-32)MPa, (150-2500)LB, (10-40)K
- Shell test: PT 1.5PN
- High pressure seal test: PT 1.1PN
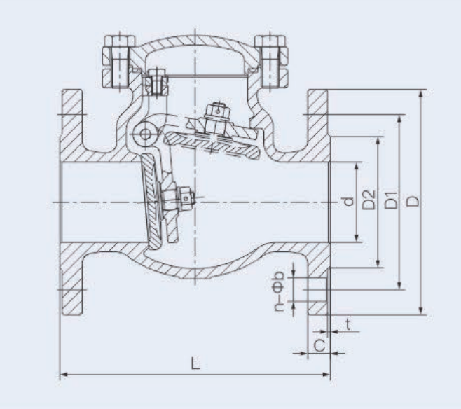
Drawing

MAIN OUTER SIZE GB:PN16
| DN | d | D | D1 | D2 | t | C | Z-φd | L | |||
| JB/T 79 |
HG/T 20592 |
JB/T 79 |
HG/T 20592 |
JB/T 79 |
HG/T 20592 |
||||||
| 15 | 18 | 95 | 95 | 65 | 45 | 2 | 14 | 16 | 4-φ14 | 4-φ14 | 130 |
| 20 | 20 | 105 | 105 | 75 | 55 | 2 | 14 | 18 | 4-φ14 | 4-φ14 | 150 |
| 25 | 25 | 115 | 115 | 85 | 65 | 2 | 14 | 18 | 4-φ14 | 4-φ14 | 160 |
| 32 | 32 | 135 | 140 | 100 | 78 | 2 | 16 | 18 | 4-φ18 | 4-φ18 | 180 |
| 40 | 38 | 145 | 150 | 110 | 85 | 3 | 16 | 18 | 4-φ18 | 4-φ18 | 200 |
| 50 | 50 | 160 | 165 | 125 | 100 | 3 | 16 | 18 | 4-φ18 | 4-φ18 | 230 |
| 65 | 64 | 180 | 185 | 145 | 120 | 3 | 18 | 18 | 4-φ18 | 8-φ18 | 290 |
| 80 | 76 | 195 | 200 | 160 | 135 | 3 | 20 | 20 | 8-φ18 | 8-φ18 | 310 |
| 100 | 100 | 215 | 220 | 180 | 155 | 3 | 20 | 20 | 8-φ18 | 8-φ18 | 350 |
| 125 | 125 | 245 | 250 | 210 | 185 | 3 | 22 | 22 | 8-φ18 | 8-φ18 | 400 |
| 150 | 150 | 280 | 285 | 240 | 210 | 3 | 24 | 22 | 8-φ23 | 8-φ22 | 480 |
| 200 | 200 | 335 | 340 | 295 | 265 | 3 | 26 | 24 | 12-φ23 | 12-φ22 | 600 |
| 250 | 250 | 405 | 405 | 355 | 320 | 3 | 30 | 26 | 12-φ25 | 12-φ26 | 650 |
| 300 | 300 | 460 | 460 | 410 | 375 | 4 | 30 | 28 | 12-φ25 | 12-φ26 | 750 |




