APPLICATION DESCRIPTION
The butterfly valve’s unique design uses gas pressure to extend the valve seat toward the valve discto provide evenly distributed pressure for sealing at all times. Since the valve disc and valve seat areonly in instantaneous contact during the opening and closing of the valve, the valve disc is onlysubject to slight friction. On the contrary, for ordinary butterfly valves, the collision caused by thevalve disc rubbing against the valve seat will reduce the performance and life of the valveneumatic expansion butterfly valve requires only a small amount of torque to open and close thebutterfly valve. This allows the use of smaller actuators, thus reducing the cost of the entire valve.According to actual comparative tests and field application records, the sealing surface of thisbutterfly valve has better wear resistance than similar valves and has a long service life. It is especial-ly suitable for special media such as powder and solid particle transportation. For dry solids, gasesand slurries, expansion butterfly valves are most suitable. Expansion butterfly valve is designed forharsh working conditions.
PERFORMANCE CHARACTERISTICS
- Expansion seat reduces disc and seat wear
- Longer valve life
- Minor seat wear
- Valve plate collision is extremely small
- Ultra-low torque requirements
- Lower actuator energy requirements
- Larger sealing contact area
- Proven superiority for abrasive materials and loose solids
- Multiple bearings
- The sealing surface can be sucked back by vacuum at the moment the valve is
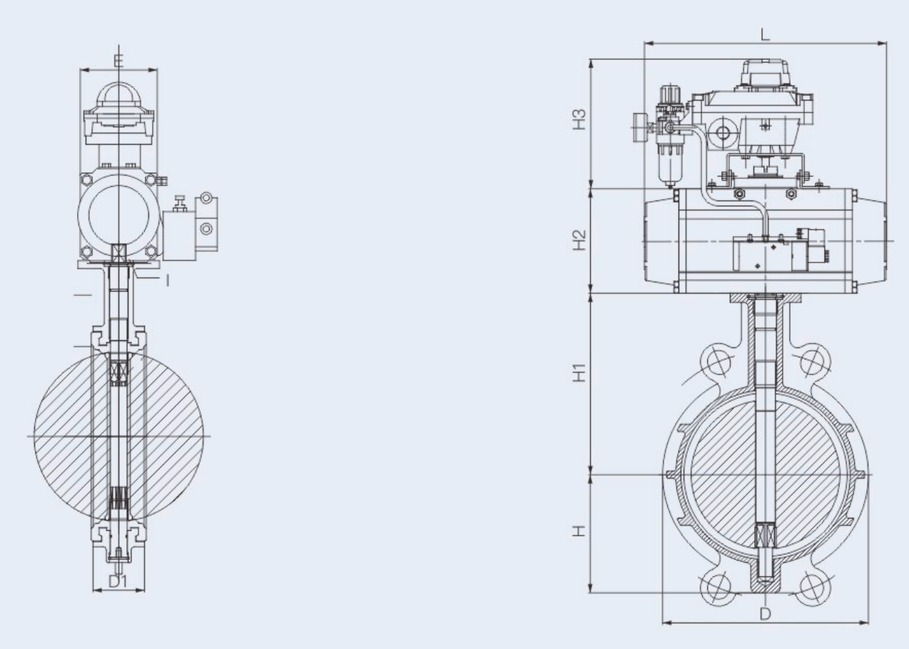
Drawing

Dimension
| SIZE | Dn | D | H | H1 | H2 | H3 | D1 | L×E |
| DN100 | 92 | 158 | 107 | 152 | 100 | 110 | 52 | 189×162 |
| DN125 | 118 | 183 | 122 | 165 | 109 | 110 | 56 | 216×170 |
| DN150 | 145 | 206 | 150 | 180 | 109 | 110 | 56 | 216×170 |
| DN200 | 192 | 192 | 165 | 205 | 134 | 110 | 60 | 279×190 |
| DN250 | 242 | 242 | 178 | 446 | 157 | 120 | 68 | 311×205 |
| DN300 | 292 | 292 | 215 | 511 | 174 | 120 | 78 | 405×220 |




