SPECIFICATIONS
- Nominal pressure: (1.6~4.0)MPa,(150~300)LB, (10~20)K
- Shell test: PT 1.5PN
- High pressure seal test: PT 1.1PN
- Gas seal test: 0.6 MPa
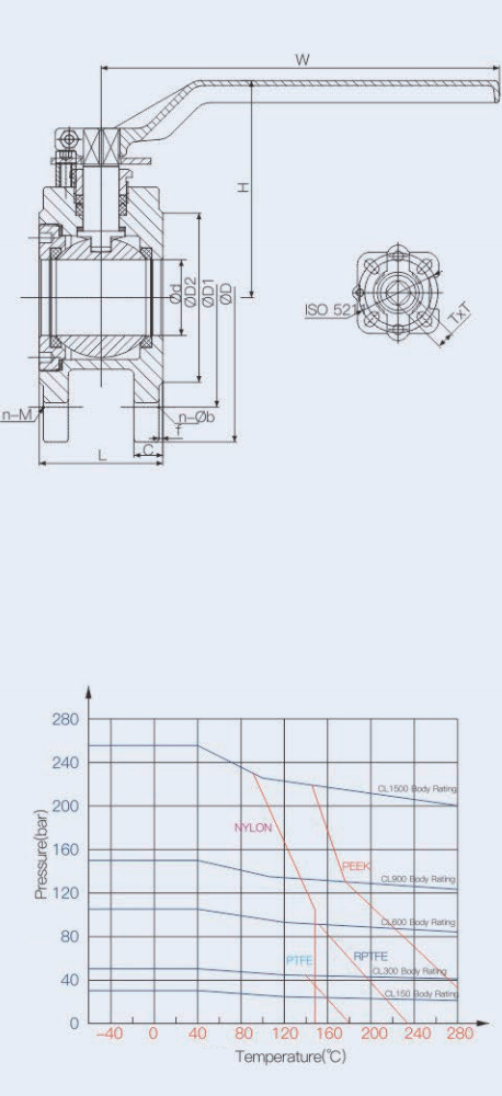
Drawing

MAIN PARTS AND MATERIALS
| Material Name | Carbon steel | Stainless steel | Dual phase steel |
| Body | WCB | СF8, СFЗ, СF8М, СЕ3М | 4A/5A |
| Bonnet | WCB | СF8. СFЗ. СF8М, СF3М | 4A/5A |
| Ball | 13Cr/304/316 | 304/316 | 2205/2507 |
| Stem | 13Cr/304/316 | 304/316/17-4PH | 2205/2507 |
| Sealring | PTFE/RPTFE/Nylon/PEEK | ||
| Gland Packing | PTFE/RPTFE/Nylon/PEEK | ||
THE MAIN DIMENSIONS AND CONNECTION DIMENSIONS GB:PN16
| DN | d | L | D | K | D1 | C | f | H | Nφ | W |
| 15 | 12 | 90 | 95 | 65 | 46 | 14 | 2 | 60 | 4-14 | 110 |
| 20 | 15 | 105 | 105 | 75 | 56 | 14 | 2 | 65 | 4-14 | 120 |
| 25 | 25 | 110 | 115 | 85 | 65 | 14 | 2 | 99 | 4-14 | 168 |
| 32 | 32 | 125 | 135 | 100 | 78 | 16 | 2 | 103 | 4-18 | 168 |
| 40 | 38 | 136 | 145 | 110 | 85 | 16 | 2 | 118 | 4-18 | 200 |
| 50 | 49 | 155 | 160 | 125 | 100 | 17 | 2 | 125 | 4-18 | 200 |
| 65 | 57 | 170 | 180 | 145 | 120 | 19 | 2 | 139 | 4-18 | 200 |
| 80 | 76 | 180 | 195 | 160 | 135 | 20 | 3 | 158 | 8-M16 | 270 |
| 100 | 90 | 190 | 215 | 180 | 155 | 20 | 3 | 170 | 8-M16 | 320 |
| 125 | 100 | 200 | 245 | 210 | 185 | 22 | 3 | 210 | 8-M16 | 550 |
| 150 | 125 | 230 | 285 | 240 | 212 | 22 | 3 | 235 | 8-M20 | 650 |
| 200 | 150 | 275 | 340 | 295 | 268 | 24 | 3 | 256 | 12-M20 | 800 |




